Хит
Артикул:
РВ 900/11
Ресивер воздушный РВ 900/11
С уходом из России компании Atlas Copco, на компрессорном рынке образовался дефицит не только компрессоров высокого ценового сегмента, но и воздушных ресиверов, произведенных на современном технологичном оборудовании и оснащенных самой надежной комплектацией.
АО «Бежецкий завод «АСО», как ведущий российский производитель воздушных ресиверов, рад представить свой самый технологичный воздушный ресивер – РВ900/11, который по своим потребительским свойствам превосходит все модели, ранее выпускаемые заводом.
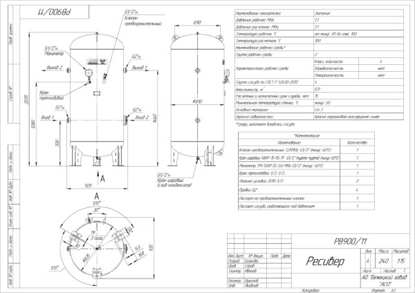
Конструкция ресивера РВ 900/11 оснащена смотровым лючком, двумя входами и двумя выходами, что является обязательным требованием российского законодательства. Для обеспечения возможности проведения технического освидетельствования, обслуживания, ремонта и контроля состояния отдельных узлов и соединений, ресивер изготавливается в строгом соответствии с ГОСТ 34347-2017.
Воздушный ресивер РВ 900/11 обладает уникальными характеристиками и оснащен высококачественной комплектацией от ведущих мировых производителей, для обеспечения самых высоких требований для хранения сжатого воздуха.
Воздушный ресивер РВ 900/11 обеспечит надежную эксплуатацию при работе с давлением до 11 атмосфер и самый высокий уровень безопасности.
Воздушный ресивер РВ 900/11 обладает уникальной долговечностью. Завод АСО гарантирует срок службы 15 лет, так как это единственный воздушный ресивер, который производится из листовой стали повышенной толщины.
Каждый воздушный ресивер в процессе изготовления проходит полный комплекс обязательных испытаний и контроль качества. Все сварные соединения подвергаются контролю методом ультразвуковой дефектоскопии с целью выявления в них внутренних дефектов. Все ресиверы подвергается гидравлическому испытанию на прочность и плотность, пневматическому испытанию на герметичность.
Стандартная комплектация РВ 90011
Предохранительный клапан «Seetru» 1,25Мпа G1/2

Английская компания SEETRU – всемирно известный производитель предохранительных клапанов, является членом Ассоциации Компрессорных Заводов России. Предохранительные клапаны Seetru — это высочайшее качество и долгосрочная надежность. Компактный и высокоэффективный клапан с уплотнением из эластомера имеет эксклюзивную технологию уплотнения Tutchtite® для многократного герметичного закрытия.
Кран шаровый «A-Flow» VBXF-15-FG-TF 11 атм.

Французская компания А-Flow – ведущий разработчик и поставщик оборудования для управления и контроля технологическими средами. Промышленное оборудование A-Flow является символом эталонного уровня надежности. Цельнокорпусной шаровой кран с резьбовым подсоединением A-Flow VBXA характеризуется — надёжной герметичностью, выдерживает вязкие и загрязненные среды, компактными габаритами и удобным управлением с минимальными затратами времени на поворот.
Манометр TM-520P «Росма» (0…1,6) Мпа G1/2

Компания «РОСМА» является одним из крупнейших отечественных производителей высокоточных контрольно-измерительных приборов, прочно входя в число лидеров рынка в данной области.
Манометр выполнен в корпусе из нержавеющей стали и заполнен силиконом. Данный манометр предназначен для работы в условиях повышенной вибрации и при измерении переменного давления с высокими динамическими нагрузками.
Кран трехходовой 1/2-1/2 «Росма»

Наличие запорного устройства перед манометром делает последующую эксплуатацию прибора удобной и надежной. Латунный кран с натяжной гайкой является более надежным решением по сравнению с обычными кранами, где нельзя регулировать удельное давление между корпусом и пробкой.
Конструкция с использованием фторопластовой прокладки позволяет использовать трехходовой кран для манометра при температуре рабочей среды до 150°С. Также она снижает усилие, которое необходимо прикладывать для поворота ручки, что является проблемой при эксплуатации кранов старых конструкций.
Комплект пробок «АСО»

В состав ресивера входят 4 пробки с прокладками собственного производства, которые позволяют герметично заглушить входные или выходные отверстия в случае их неиспользования.
Если в вашей компании ответственно подходят к выбору промышленного оборудования и предъявляют высокие требования к надежности системы хранения сжатого воздуха, доверьтесь российскому производителю с большим опытом производства! Воздушный ресивер РВ 900/11 Бежецкого завода «АСО» обеспечит наивысший уровень безопасности и надежности работы Вашей пневматической системы.
Исполнение, Вертикальный
Марка стали, Ст3пс
Наружное покрытие, RAL 5010
Объем, л 900
Срок службы, лет 15
Условия эксплуатации, °C от -20 до +100
Вход,выход, дюйм 2"
Габариты, см 93 х 94 х 204
Вес 240kg
С уходом из России компании Atlas Copco, на компрессорном рынке образовался дефицит не только компрессоров высокого ценового сегмента, но и воздушных ресиверов, произведенных на современном технологичном оборудовании и оснащенных самой надежной комплектацией.
АО «Бежецкий завод «АСО», как ведущий российский производитель воздушных ресиверов, рад представить свой самый технологичный воздушный ресивер – РВ900/11, который по своим потребительским свойствам превосходит все модели, ранее выпускаемые заводом.
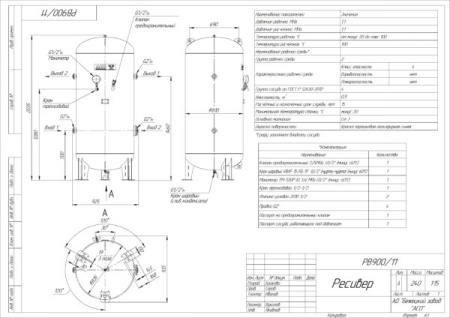
Конструкция ресивера РВ 900/11 оснащена смотровым лючком, двумя входами и двумя выходами, что является обязательным требованием российского законодательства. Для обеспечения возможности проведения технического освидетельствования, обслуживания, ремонта и контроля состояния отдельных узлов и соединений, ресивер изготавливается в строгом соответствии с ГОСТ 34347-2017.
Воздушный ресивер РВ 900/11 обладает уникальными характеристиками и оснащен высококачественной комплектацией от ведущих мировых производителей, для обеспечения самых высоких требований для хранения сжатого воздуха.
Воздушный ресивер РВ 900/11 обеспечит надежную эксплуатацию при работе с давлением до 11 атмосфер и самый высокий уровень безопасности.
Воздушный ресивер РВ 900/11 обладает уникальной долговечностью. Завод АСО гарантирует срок службы 15 лет, так как это единственный воздушный ресивер, который производится из листовой стали повышенной толщины.
Каждый воздушный ресивер в процессе изготовления проходит полный комплекс обязательных испытаний и контроль качества. Все сварные соединения подвергаются контролю методом ультразвуковой дефектоскопии с целью выявления в них внутренних дефектов. Все ресиверы подвергается гидравлическому испытанию на прочность и плотность, пневматическому испытанию на герметичность.
Стандартная комплектация РВ 90011
Предохранительный клапан «Seetru» 1,25Мпа G1/2

Английская компания SEETRU – всемирно известный производитель предохранительных клапанов, является членом Ассоциации Компрессорных Заводов России. Предохранительные клапаны Seetru — это высочайшее качество и долгосрочная надежность. Компактный и высокоэффективный клапан с уплотнением из эластомера имеет эксклюзивную технологию уплотнения Tutchtite® для многократного герметичного закрытия.
Кран шаровый «A-Flow» VBXF-15-FG-TF 11 атм.

Французская компания А-Flow – ведущий разработчик и поставщик оборудования для управления и контроля технологическими средами. Промышленное оборудование A-Flow является символом эталонного уровня надежности. Цельнокорпусной шаровой кран с резьбовым подсоединением A-Flow VBXA характеризуется — надёжной герметичностью, выдерживает вязкие и загрязненные среды, компактными габаритами и удобным управлением с минимальными затратами времени на поворот.
Манометр TM-520P «Росма» (0…1,6) Мпа G1/2

Компания «РОСМА» является одним из крупнейших отечественных производителей высокоточных контрольно-измерительных приборов, прочно входя в число лидеров рынка в данной области.
Манометр выполнен в корпусе из нержавеющей стали и заполнен силиконом. Данный манометр предназначен для работы в условиях повышенной вибрации и при измерении переменного давления с высокими динамическими нагрузками.
Кран трехходовой 1/2-1/2 «Росма»

Наличие запорного устройства перед манометром делает последующую эксплуатацию прибора удобной и надежной. Латунный кран с натяжной гайкой является более надежным решением по сравнению с обычными кранами, где нельзя регулировать удельное давление между корпусом и пробкой.
Конструкция с использованием фторопластовой прокладки позволяет использовать трехходовой кран для манометра при температуре рабочей среды до 150°С. Также она снижает усилие, которое необходимо прикладывать для поворота ручки, что является проблемой при эксплуатации кранов старых конструкций.
Комплект пробок «АСО»

В состав ресивера входят 4 пробки с прокладками собственного производства, которые позволяют герметично заглушить входные или выходные отверстия в случае их неиспользования.
Если в вашей компании ответственно подходят к выбору промышленного оборудования и предъявляют высокие требования к надежности системы хранения сжатого воздуха, доверьтесь российскому производителю с большим опытом производства! Воздушный ресивер РВ 900/11 Бежецкого завода «АСО» обеспечит наивысший уровень безопасности и надежности работы Вашей пневматической системы.
Технические характеристики РВ 900/11
Давление, атм 11Исполнение, Вертикальный
Марка стали, Ст3пс
Наружное покрытие, RAL 5010
Объем, л 900
Срок службы, лет 15
Условия эксплуатации, °C от -20 до +100
Вход,выход, дюйм 2"
Габариты, см 93 х 94 х 204
Вес 240kg
Отзывы
Оставить отзыв
Загрузка отзывов...
Вы можете воспользоваться одним из следующих вариантов оплаты:
- Оплата наличными. Мы принимаем наличные деньги (только рубли) через кассовый фискальный аппарат.
- Безналичный расчет для юридических и частных лиц.
- Оплата банковской картой. Оплата происходит через ПАО СБЕРБАНК с использованием Банковских карт следующих платежных систем: VISA, VISA Electron, Maestro, MasterCard, МИР
Товар можно получить одним из следующих способов:
- Самовывоз товара с пункта выдачи по адресу в вашем городе.
- Курьерская доставка с 9-00 до 23-00 по рабочим дням. Покупатель обязуется разгрузить оборудование собственными силами и в кратчайшие сроки. Простой автомобиля оплачивается отдельно.
- Доставка одной из следующих транспортных компаний: "ПЭК" (Первая Экспедиционная Компания), "ЖДЭ" (ЖелДорЭкспедиция), "ЭНЕРГИЯ", "ДЕЛОВЫЕ ЛИНИИ", "СДЭК" и другие.

